公司业务

您当前的位置:首页 > 公司业务 > 招标采购

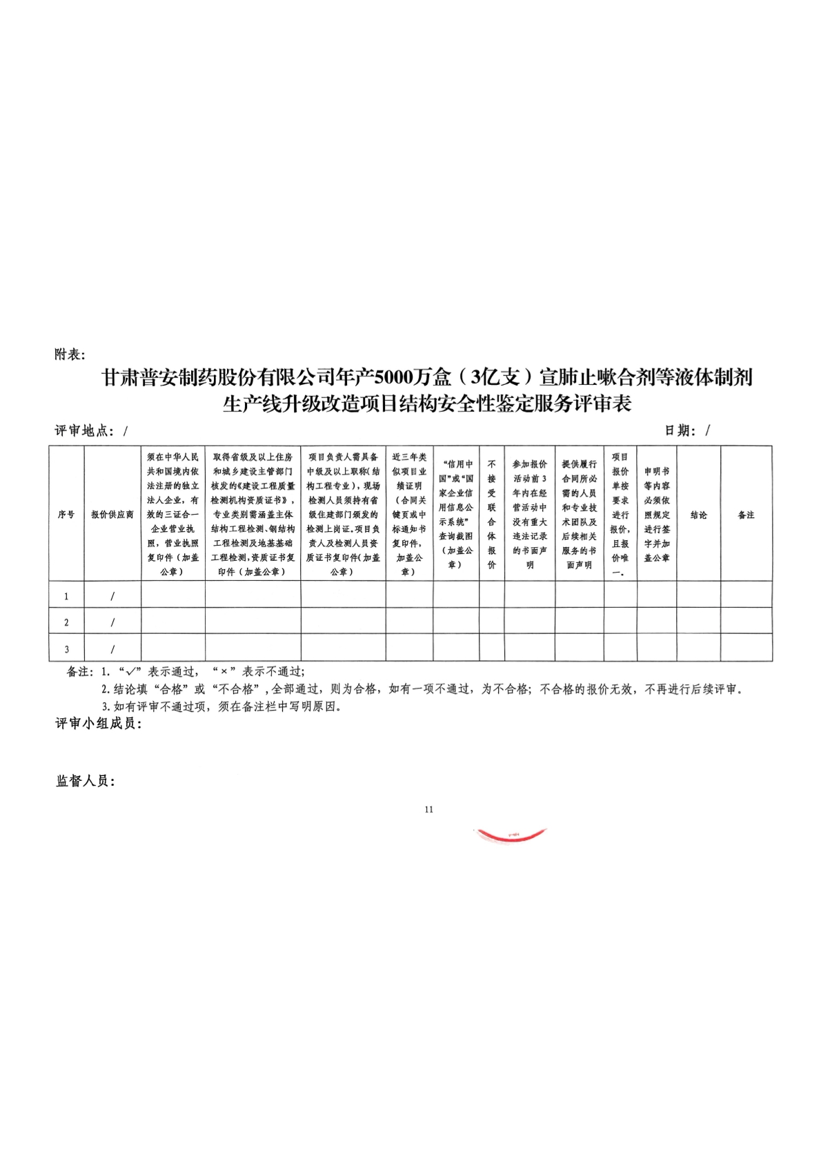
甘肃普安制药股份有限公司年产5000万盒(3亿支)宣肺止嗽合剂等液体制剂生产线升级改造项目结构安全性鉴定服务询价公告

作者: 来源: 更新于:2026-1-13 阅读:












上篇:

下篇: